密封圈定制服務熱線
134-2193-4786
182-0085-0198
微
信
在
線
咨
詢
信
在
線
咨
詢

支持 | 環保 | 優質 | 廠家 | 加工 | 質量 |
壓力 Pressure[Mpa] | 溫度 Temperature(℃) | 速度Sliding speed(m/s) | 介質Medium | |
標準產品tandard | 60 | -45/+200 | ≤15 | 液壓油、阻燃液、水、氣 Minderal oil based hydraulic fluids, barely flammable hydraulic fluids,water,air and others. |
工作壓力Pressure | 160bar | 250bar | 400bar |
最大擠出間隙Max Gap E | E≤0.6mm | E≤0.4mm | E≤0.2mm |
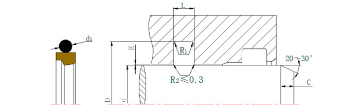
公制溝槽尺寸(mm) | |||||
軸徑 D H9 | 溝槽底徑 d h9 | 槽寬L +0.2 | O型圈線徑d1 | C≥ | R1≤ |
4~18 | d+4.9 | 2.2 | 1.8 | 2 | 0.4 |
8~25 | d+7.3 | 3.2 | 2.65 | 2 | 0.4 |
19~150 | d+10.7 | 4.2 | 3.55 | 3 | 0.8 |
38~250 | d+15.1 | 6.3 | 5.3 | 5 | 1.2 |
50~255 | d+20.5 | 8.1 | 7 | 7.5 | 1.6 |
255~700 | d+24 | 8.1 | 7 | 8 | 1.6 |
650~1500 | d+27.3 | 9.5 | 8.6 | 8.5 | 2 |
1000~1500 | d+38 | 13.8 | 12 | 8.5 | 2 |